
新一代微型機接地裝置定線設備可廣泛用于小電流接地系統軟件中性點不接地、中性線經消弧線圈(舊式消弧線圈,手動控制)直接接地、中性線經自動追蹤消弧線圈和阻尼電阻接地裝置三種情況。這三種接地裝置定線的形式,由微型機接地裝置定線裝置控制字確定。當選擇控制字為0(00)時,定線方法界定為中性點不接地系統軟件,程序流程按基波零序電流方位基本原理工作中;當選擇控制字為1(01)時,其補償方式界定為中性線經消弧線圈直接接地,手機軟件按五次諧波辨別法基本原理工作中;當選擇控制字為2(10)時,其補償方式界定為中性線經自動追蹤消弧線圈及阻尼電阻接地裝置,手機軟件按有功功率份量辨別法基本原理工作中。
康明斯發電機房接地裝置布置圖
五、自動追蹤消弧線圈設備
鑒于消弧線圈的電感電流能夠相抵接地點流下的電容電流,當調整很好的時候,電孤大多數能自滅。由于接地電流獲得賠償,短路故障并不能發展成兩色常見故障,因此中性線經消弧線圈接地方法的供電可靠率大大高于別的接地方式,但老式消弧線圈也存在著如下所示缺陷。
1、老式消弧線圈缺陷
(1)調節無法及時開展
在我國電力系統中現在廣泛采用的都是手動式調匝消弧線圈,當需要調分接開關時,必須使消弧線圈撤出運作,即不可以線上調消弧線圈。以其調整不方便,在實際使用中非常少依據電力網電容電流的變動及時的調節分接開關部位。還由于沒有在線動態測量系統軟件電容電流的機器,操作人員無法斷定出是不是需進行控制及調整到哪一個檔位。因此事實上雖配有消弧線圈,在電力系統運行模式變化時,卻不能很好的賠償電容電流,依舊有電光不自滅及過壓等情況出現。
(2)短路故障定線有誤
當系統發生短路故障時,因為接地點殘流不大(接地點殘流便是經消弧線圈賠償后還剩下有些高次諧波和有功功率份量電流量),當消弧線圈處在過補償的狀態下,常見故障配電線路和非常見故障線路基波零序電流不論在標值和方向中均無法區分。近些年大多采用零序電流的五次諧波方位來判別接地裝置配電線路,可是在實際使用中,因五次諧波含量比較小(≤5%),且長期處于轉變當中,而TV和TA是按照基波定制的,對五次諧波存在一定的額外相偏移,導致五次諧波輸出功率方位電磁閥全自動判接地裝置禁止。據相關材料統計分析,五次諧波法判接地裝置準確度大約只有60%~70%,使接地短路無法及時獲得解決。
2、自動追蹤消弧線圈基本原理詳細介紹
自動追蹤消弧線圈選用微型機自動追蹤控制板,自動測量計算系統電容電流等相關主要參數,依據賠償度等時間常數自動調節消弧線圈分接開關,使消弧線圈有載分接開關設到黃金位置。自動追蹤消弧線圈設備按更改電感器方式的不同分為如下所示四種類型:有載開關調匝式(電感器有級可調式)、可調式磁密式(無極調電感器)、直流偏磁式(無極調工作電壓)、可控硅調電容式(電感器有級可調式)。
可調式磁密式是依靠挪動插進電磁線圈內部結構移動鐵心來調節磁化強度從而改善線圈電感的,因為這種鐵心是可以持續挪動,因而電感器持續可調式。但是它響應速度長,最長可達數十秒且噪聲大。直流偏磁式是由添加直流電流更改電磁線圈鐵心的磁通量工作部位,做到調電感的目地。可控硅調電容式是運用四組可控硅不一樣通斷方式進行4個電容器按15種排列方式資金投入中性線變壓器二次側來調節一次側的特性阻抗,以達到更改消弧線圈電感的目地。
直流偏磁式或可控硅調感式因為是全電子式,調感便捷,較容易實現全情況調感。全情況調感指的是在正常運轉情況、金屬材料接地裝置情況、間歇性電孤接地裝置情況,則在各種各樣狀況下均可自動調感。有載開關調分接開關和精磁密式消弧線圈由于機械設備調感較慢,不可以實現多情況全自動調感。
在我國電力網里的消弧線圈全是分接開關調匝式消弧線圈,海外絕大多數也是采用該類方法調感。盡管該類腳踏式調感較慢,但把無載電源開關改成有載開關并采用非預宮調,即操作時沒有進行調擋實際操作,因此比較大地減少了精確測量周期時間,使有載分接開關調感自動追蹤消弧線圈設備進入實用階段。

中性線經消弧線圈接地設備
3、自動追蹤消弧線圈設備詳細介紹
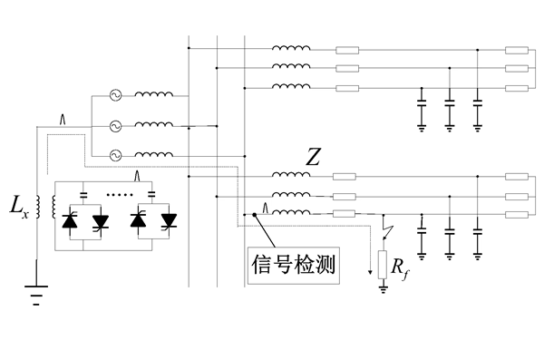
自動追蹤消弧線圈裝置由Z型接地變壓器、自動追蹤消弧線圈、阻尼電阻箱、微型機精確測量追蹤控制板、微型機定線保護設備五部分構成。
(1)Z型接地變壓器。
在變壓器為Δ布線或Y形但是沒有中性線引出來時,Z型接地變壓器作為引出來中性線聯接消弧線圈。因而系統軟件已經有中性線引出來時可不用Z型接地變壓器。所說Z型布線便是坎坷布線,一般變壓器零序磁通量在磁柱內不可以商品流通,只能依靠漏磁通順著變壓器外殼組成磁通量的通道。因此零序電流能夠順利的根據Z型接地變壓器,從中性線導出至消弧線圈。
一般在系統軟件不均衡工作電壓比較大前提下,Z型接地變壓器制成平衡式,Z型變壓器中性點就會有不均衡工作電壓導出,能夠自動追蹤精確測量控制板自動測量系統軟件對地電容電流量。可是當系統軟件不均衡工作電壓較小時(如全電纜線電力網)Z型變電器就需要制成不平衡式,使Z型變壓器中性點有50~100V的不穩定工作電壓導出,以適應全自動眼蹤精確測量控制系統的精確測量必須。為了能靈活運用接地變壓器資源,接地變壓器除能帶消弧線圈外,也能帶二次負荷,即取代站用變電器,但是要注意帶二次負荷時,接地裝置變壓器容量應是消弧線圈容積與二次負載容積總和。
(2)自動追蹤消弧線圈。
采用自動調匝式可調式消弧線圈,將繞阻按不同的線圈匝數抽出來9~15擋的分接開關,用有載分接開關開展自動選擇,更改接入的線圈匝數,從而改善電感量。這類全自動調匝式消弧線圈簡易、靠譜,現階段應用較多。別的幾種方式有的還在實驗研發環節。為了降低殘流提升分接開關數(依據容積不一樣,有9~15擋的調匝量),使每擋分接開關更改電感量值比較小,從而使得調整電感量盡可能達到最好部位,殘流降到最小值。
(3)阻尼電阻箱。
自動追蹤消弧線圈有三種運行模式:過補償、欠賠償、全賠償。當運作在整個賠償時,因為償還的電感電流貼近相當于系統軟件電容電流,貼近諧振點運作,因而殘流比較小。為避免發生諧振過電壓,在消孤電磁線圈接地回路中串連阻尼電阻箱。那樣,即便在長期運行中占據全補情況,但是因為電阻的阻尼作用,中性線工作電壓也不會超過中性線長期運行最大容許工作電壓(在我國技術規范中要求為直流電壓的15%)。
當發生單相接地故障時,消弧線圈、阻尼電阻與常見故障配電線路根據故障原因組成控制回路。因為尼電阻的存有,在這個通道中產生有功功率電流量份量,根據阻尼電阻造成電阻分量工作電壓,從而提高中性線工作電壓。因為有功功率電流量份量標值比較大,因而短路故障時中性線工作電壓將突破規定值。為了避免中性線過壓,在阻尼電阻的兩邊并接有兩付接觸器觸點,在正常運行時,這兩付接觸點斷掉,即便處在全補情況,也可使串聯諧振電流量越來越不大,阻礙了中性線工作電壓上升。當單相接地故障產生0.5s后,自動控制系統這兩付接觸點接入,使這時候有功功率電流量份量降至零值,一樣避免了中性線工作電壓上升。所以該系統能夠運行于過補償、欠賠償、全賠償三種方式。
為了與接地裝置定線設備相互配合,單相接地故障時和減振電阻并聯的兩付接觸點延遲0.5s關閉,以便接地裝置定線裝置在0.5s內取樣有功功率電流量份量,經取樣測算較為挑選出網絡里有功功率電流量份量最大者即是接地裝置配電線路。
與接地裝置定線設備相互配合全自動調匝追蹤式裝置中,減振電阻的作用有兩種:
①限定全賠償狀況下因串聯諧振造成中性線電位的上升;
②在單相接地故障線路中產生較大的有功功率電流量份量,供接地裝置定線設備取樣定線。
(4)微型機精確測量控制板。
微型機精確測量控制器和接地裝置定線設備可安裝于控制柜里,控制柜與自動追蹤消弧線圈、阻尼電阻箱及母線槽、交直流電源、中間信號屏間用電纜線相接。接至控制柜中的微型機精確測量控制器的作用是:
①根據單片微機精確測量UAB、U值,經測算得到系統總的電容電流;
②依據賠償多度動作值規定,操縱調節消弧線圈的分接開關部位;
③在單相接地故障時操縱阻尼電阻器兩邊的接觸器觸點經整定值時長關閉。